Автоматизация технологического процесса нагрева рафинатного раствора в печи установки селективной очистки масел
- Authors: 1
-
Affiliations:
- Филиал Самарского государственного технического университета
- Issue: Vol 1 (2024)
- Pages: 352-353
- Section: ЧАСТЬ I. Вычислительная техника и автоматизация производственных процессов
- URL: https://ruspoj.com/osnk-sr2024/article/view/632712
- ID: 632712
Cite item
Full Text
Abstract
Обоснование. В настоящее время автоматизация технологических процессов и производств стала наиболее актуальной областью промышленности, так как современный мир не стоит на месте, а движется вперед. Она позволяет повысить эффективность работы, улучшить качество продукции, снизить затраты и риски.
Цель — автоматизация технологического процесса нагрева рафинатного раствора в печи установки селективной очистки масел.
Методы. На основании анализа автоматизации выделен объект управления, под которым мы понимаем процесс нагрева рафинатного раствора в печи установки селективной очистки масел. Сюда входит анализ основных этапов процесса, определение необходимых параметров и условий для достижения желаемых результатов. Разработка функциональной схемы автоматизации процесса. На основе изученного технологического процесса составляется схема, определяющая последовательность и взаимосвязь операций, а также необходимые функциональные элементы. Выбор технических средств автоматизации. Проводится анализ различных ТСА, доступных на рынке, и выбираются наиболее подходящие для реализации автоматизации функциональной программы процесса. Составление математической модели контура регулирования рафинатного раствора в печи установки селективной очистки масел. Определяются необходимые параметры и настройка для достижения желаемого расхода. Разработка SCADA-системы. Разработанная программа обеспечивает комплексные решения для автоматизации мониторинга и управления технологическим процессом в режиме реального времени.
Результаты. Предложен алгоритм автоматизации производства, состоящий из трех этапов [1, 2].
Рис. 1. График настроенного регулятора
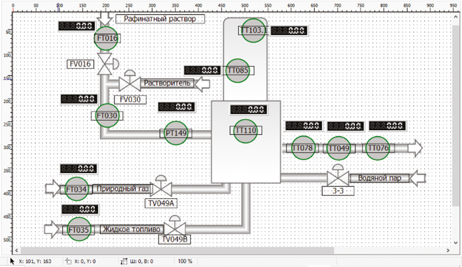
Рис. 2. Мнемосхема нагрева рафинатного раствора в печи установки селективной очистки масел
Таблица 1. Спецификация
Номер позиции | Наименование | Тип | Количество |
TT103.1, TT085,TT076, TT049, TT078, TT110 | Термопара | Метран – 2000 | 6 |
PT149 | Датчик избыточного давления | Метран – 150 | 1 |
FT016, FT030, FT034, FT035 | Кориолисовый расходомер | Метран – 360М | 4 |
FV016,TV049A,TV049B, FV030 | Клапан с электроприводом | Динамика – 30нж976нж | 4 |
– | Программируемый логический контроллер | BRIC | 1 |
Автоматизация осуществляется в режиме ограничения импортного оборудования. Данный проект полностью автономен и не зависит от санкций.
Вывод. Автоматизация производства нагрева рафинатного раствора в печи установки селективной очистки масел была реализована с помощью программных комплексов, таких как Компас 3D, MATLAB — Simulink, Simple Light SCADA.
Full Text
Обоснование. В настоящее время автоматизация технологических процессов и производств стала наиболее актуальной областью промышленности, так как современный мир не стоит на месте, а движется вперед. Она позволяет повысить эффективность работы, улучшить качество продукции, снизить затраты и риски.
Цель — автоматизация технологического процесса нагрева рафинатного раствора в печи установки селективной очистки масел.
Методы. На основании анализа автоматизации выделен объект управления, под которым мы понимаем процесс нагрева рафинатного раствора в печи установки селективной очистки масел. Сюда входит анализ основных этапов процесса, определение необходимых параметров и условий для достижения желаемых результатов. Разработка функциональной схемы автоматизации процесса. На основе изученного технологического процесса составляется схема, определяющая последовательность и взаимосвязь операций, а также необходимые функциональные элементы. Выбор технических средств автоматизации. Проводится анализ различных ТСА, доступных на рынке, и выбираются наиболее подходящие для реализации автоматизации функциональной программы процесса. Составление математической модели контура регулирования рафинатного раствора в печи установки селективной очистки масел. Определяются необходимые параметры и настройка для достижения желаемого расхода. Разработка SCADA-системы. Разработанная программа обеспечивает комплексные решения для автоматизации мониторинга и управления технологическим процессом в режиме реального времени.
Результаты. Предложен алгоритм автоматизации производства, состоящий из трех этапов [1, 2].
Рис. 1. График настроенного регулятора
Рис. 2. Мнемосхема нагрева рафинатного раствора в печи установки селективной очистки масел
Таблица 1. Спецификация
Номер позиции | Наименование | Тип | Количество |
TT103.1, TT085,TT076, TT049, TT078, TT110 | Термопара | Метран – 2000 | 6 |
PT149 | Датчик избыточного давления | Метран – 150 | 1 |
FT016, FT030, FT034, FT035 | Кориолисовый расходомер | Метран – 360М | 4 |
FV016,TV049A,TV049B, FV030 | Клапан с электроприводом | Динамика – 30нж976нж | 4 |
– | Программируемый логический контроллер | BRIC | 1 |
Автоматизация осуществляется в режиме ограничения импортного оборудования. Данный проект полностью автономен и не зависит от санкций.
Вывод. Автоматизация производства нагрева рафинатного раствора в печи установки селективной очистки масел была реализована с помощью программных комплексов, таких как Компас 3D, MATLAB — Simulink, Simple Light SCADA.
About the authors
Филиал Самарского государственного технического университета
Author for correspondence.
Email: shigaeva.a@icloud.com
студентка
Russian Federation, НовокуйбышевскReferences
- www.mathworks.com [Электронный ресурс]. Программное обеспечение MatLab Simulink. Режим доступа: https://www.mathworks.com
- https://simple-scada.com [Электронный ресурс]. Программное обеспечение Simple Light SCADA. Режим доступа: https://simple-scada.com




